
■Applications
・A two-pole slip ring that can be used to power single-phase motors with minimal configuration.
・Power supply for single-phase heaters
・Power supply for sensors and LSI circuits


■Applications
・A two-pole slip ring that can be used to power single-phase motors with minimal configuration.
・Power supply for single-phase heaters
・Power supply for sensors and LSI circuits

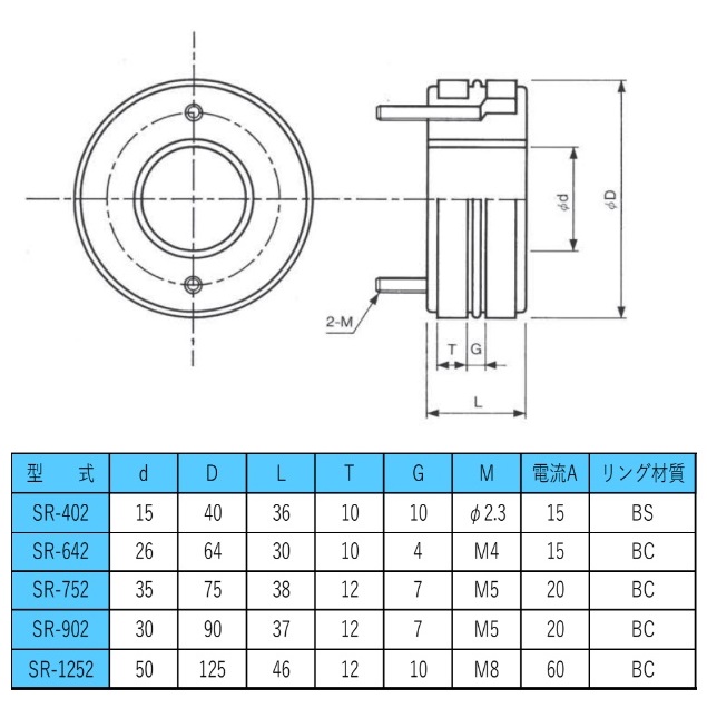
| Voltage | AC200V DC100V |
|---|---|
| Allowable current | 15~60A |
| Insulation resistance | 50MΩ (500V) or more |
| Dielectric strength | 2500V 1min |
| Poles | 2 |
| Rotation Direction | CW-CCW |
| Permitted Rotational Speed | 2000rpm |
| Heat resistance | Max 180℃ |
| Molding material | Premix Resin |