
This product can be used for up to 100 million rotations maintenance-free.
With a compact body and a maximum current of 3A, it can be used for a wide range of applications with high-speed data communication.
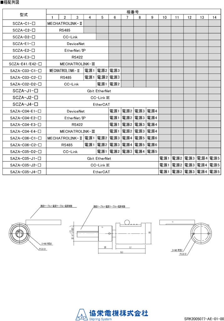
■Specifications
Number of poles: Maximum 14 poles
Voltage: AC/DC 100V or less
Allowable current: 3A
Allowable rotation speed: 1200rpm
Inner/outer diameter: 10mm/30mm
Environmental compatibility: RoHS2 compliant
specification

Drawing PDF
*Membership registration is required to download CAD data.
