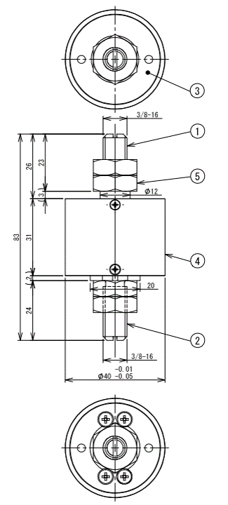
SRE040-100A-I

It is a mercury-free, maintenance-free product with 30 million revolutions.
The contacts ensure that large currents can be passed through.

It is maintenance-free and has a long life of over 30 million revolutions.

■Features
・Mercury-free
・Complies with RoHS2 directive
・Anodized case
・Low noise, low contact resistance (1mΩ or less)
・Compact and high current
・Can be used in high temperature environments compared to mercury (-10 to +80℃)

■Applications
Plating equipment, welding machines, and other rotating equipment that requires grounding

*Membership registration is required to download CAD data.