
Standard product compatible with 36A and signals.
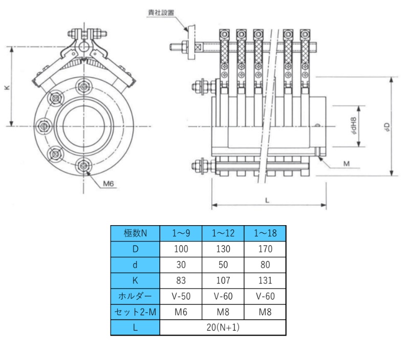
You can choose from three types with inner diameters ranging from 30mm to 80mm.
Its simple structure allows it to be used for a wide range of purposes.
■Specifications
Number of poles: 1 to 18 poles *The maximum number of poles varies depending on the inner diameter.
Voltage: AC/DC 220V or less
Allowable current: 36A or less, signal
Allowable speed: 2,000rpm
Inner diameter/outer diameter: φ30-80/φ100-170
specification

| Poles | Length |
|---|---|
| 1~18 | 20(N+1) |
*Membership registration is required to download CAD data.
