
Standard product compatible with 80A and signals.
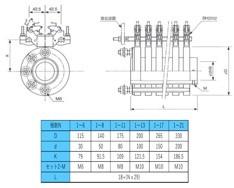
You can choose from six types with inner diameters ranging from 30 mm to 200 mm.
Its simple structure allows it to be used for a wide range of purposes.
■Specifications
Number of poles: 1 to 21 poles *The maximum number of poles varies depending on the inner diameter
Voltage: AC/DC 220V or less
Allowable current: 80A or less, signal
Allowable rotation speed: 2,000rpm
Inner diameter/outer diameter: φ30-200/φ115-330
specification

| Poles | Length |
|---|---|
| 1~21 | 20(N+1) |
*Membership registration is required to download CAD data.
